Collared Eye Bolts with Oval Link Details
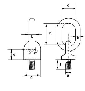
Collared eye bolts are better for lifting task where the pull/forces are at an angle. The addition of the permanently fitted oval link benefits angled lifting even more, enabling other hardware to be quickly and easily fitted.
The oval link can move freely in the eye of the collared eye bolt, thus is able to pivot to the angle of pull without hinderance.
These self-coloured finished collared eye bolts with oval link are manufactured from BS970-080A27 steel, a carbon steel that undergoes hardening and tempering processes, thus increasing strength.
With a Minimum Breaking Load (MBL) that equals 5 times the Safe Working Load, this 5:1 safety factor provides substantial protection against overloading. However you must never exceed the stated working load limit, this safety margin is to protect against accidental overload and potentially disastrous failure.
Certification can be supplied on request, including the EC declaration of conformity and raw material cert.
Similar Eye Bolts
Lifting Gear Store has a number of similar eye bolts with fitted links. They are all of the collared variety for lifting at angles and come with oval or egg shaped links in different sizes and shank lengths, including long shank varieties. Both metric and BSW Whitworth threads are available in our eye bolt collection, which also includes the standard type of eye bolts – collared and dynamo; as well as eye and bow nuts. Get in touch if you need any assistance.



















